在线客服
在线客服
客服一
用户中心
意见反馈
热线电话
18028989717
13712667772
18110967333
18024330807
微信扫码
公司相册
网站首页
公司简介
产品中心
销售网络
在线留言
联系我们
网站首页
>
产品中心
>
PQ系列
>
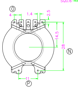
XW-3701 PQ37 5+2 高频电木变压器骨架
XW-3701 PQ37 5+2 高频电木变压器骨架
名称:XW-3701 PQ37 5+2 高频电木变压器骨架
更多推荐 > >
可在线通过咨询了解详情
通过以下按钮进入下一步
马上咨询
在线询价
详情
评价
XW-3701 PQ37 5+2 高频电木变压器骨架
PQ37 5+2 XW-3701.pdf
首页
上一页
下一页
尾页
XW-3701 PQ37 5+2 高频电木变压器骨架
特别推荐
EE16 4+5 GZ1641
EE16 4+4 GZ1642
EE16 5+2 GZ1643
XW-1629 EE16 5+2+2 高频电木变压器骨架
EE16 5+2 GZ1643-1